執行器知識 當前位置: 電動閥門廠家> 新聞資訊> 執行器知識> 【電動蝶閥】電動蝶閥接線圖說明書
電動蝶閥說明書概述:電動蝶閥 開關型和智能調節型二種控制方式,蝶閥與POE電動執行機構配套,輸入控制信號(4~20mADC或1~5VDC)及單相電源即可控制運轉,具有功能強、體積小、輕便宜人,性能可靠、配套簡單、流通能力大,特別是適合于介質是粘稠、含顆粒、纖維性質的場合。目前該閥門廣泛應用于食品、環保、輕工、石油、造紙、化工、教學和科研設備、電力等行業的工業自動控制系統中。

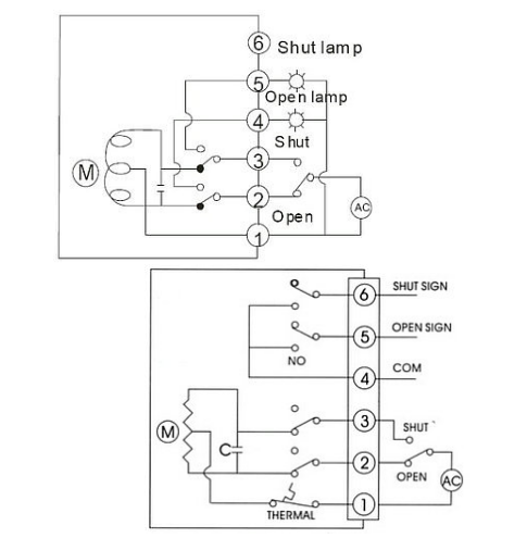
電動閥門接線圖說明
電動閥門接線方式是根據不同的使用要求以及現場工況不同所分類的,不同功能的電動執行器所采用的接線方式也都是不盡相同。用戶應當對接線方面的相關知識有所了解,以免出現不必要的故障發生,一方面導致整個電路短路故障;另一方面,可能會導致機器等燒壞而產生的巨大經濟損失,甚Zhi出現更嚴重的事故。
電動閥門執行器按電源電壓一般可分交流(AC110V、AC220V、AC380V),直流(DC24V、DC12V),按控制方式分為有源開關式、無源開關式、電位計型、調節型等。
AOXIANG致力于研發,設計,制造各種電動執行器、電動閥門(電動蝶閥、電動球閥、電動閘閥、電動調節閥)等已有20余年歷史,憑借多年豐富的現場應用經驗,為壓力,流量和液位等流體控制應用領域提供電動閥門、電動執行器(角行程電動執行器、直行程電動執行器、多回轉電動執行器)、電動蝶閥、電動球閥及解決方案。